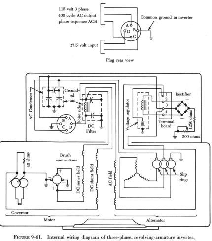
961